产品中心
您当前所在的位置:首页 > 产品中心 > 机器人 > 工业机器人搬运用途

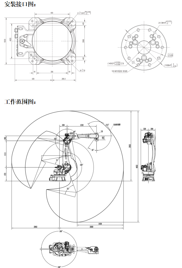
工业机器人搬运用途



功能特点:

1. 臂展2.7米,负载能力强,工作范围大,灵活性强。

2. 运行速度快,重复定位精度高,适用于上下料、搬运、分拣、装配等应用场所,适用范围广。

3. 配置独立于控制系统的安全急停板,采用安全继电器,对外提供双回路急停,确保急停的可靠性。

4. 本体电缆采用柔性机器人专用电缆。

5. 内装三相滤波器,有效改善EMC和EMI性能。

6. 本体提供ID10双回路气管,满足搬运的需求。

7. 通过单悬臂小臂结构,减轻终端重量,提升其灵活性,机械手、工具、工件形状的选择性范围得到扩展。

8. 内置电缆、气管,通过小臂和手腕中心处设置中空部分,从机器人基部到腕部末端内置电缆和气管,更大地方便了用户使用,提高了作业效率。

9.高扩展性,在机器人本体上设置有多处用户支架安装平台,便于用户固定线缆及其相关辅助工装冶具。


本体技术指标:



[返回]

地址:浙江省金华市金东区岭下镇松溪路369号江岭智创园1幢5楼 联系人:章先生 联系电话:0579-87026800
浙江机械手厂家流水线设备 哪家好?供应订做多少钱?注塑机机械手 怎么样?诚信公司专业以批发价格大量现货提供机械手、流水线设备 、机械手厂家、注塑流水线等品质优良的产品及报价,欢迎来电生产定制!永康市捷隆自动化设备有限公司为您免费提供注塑流水线、流水线设备 注塑机机械手 、浙江机械手厂家等相关信息发布和最新资讯,敬请关注!

版权所有:永康市捷隆自动化设备有限公司     备案号:浙ICP备11022070号-1      策划设计:星动网络