产品中心
您当前所在的位置:首页 > 产品中心 > 机器人 > 工业机器人搬运用途

工业机器人搬运用途



功能特点:

1.配置独立于控制系统的安全急停板,采用进口强制型断开继电器,对外提供双回路急停,确保急停的可靠性。

2.内装了三相变压器,380V和220V进行隔离,电源更稳定。内装三相滤波器,有效隔离外部干扰和防止内部干扰输出。

3.本体电缆采用高柔机器人专用电缆。

4.本体提供双回路气管,满足搬运的需求。

5.针对搬运应用,本体结构进行了优化设计,刚性更强。


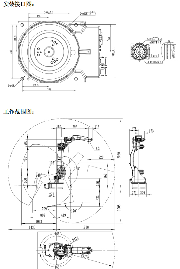
本体技术指标:




[返回]

地址:浙江省金华市金东区岭下镇松溪路369号江岭智创园1幢5楼 联系人:章先生 联系电话:0579-87026800
浙江机械手厂家流水线设备 哪家好?供应订做多少钱?注塑机机械手 怎么样?诚信公司专业以批发价格大量现货提供机械手、流水线设备 、机械手厂家、注塑流水线等品质优良的产品及报价,欢迎来电生产定制!永康市捷隆自动化设备有限公司为您免费提供注塑流水线、流水线设备 注塑机机械手 、浙江机械手厂家等相关信息发布和最新资讯,敬请关注!

版权所有:永康市捷隆自动化设备有限公司     备案号:浙ICP备11022070号-1      策划设计:星动网络